مهلت تست 7 روز مهلت تست سلامت کالا
امکان تحویل سریع در سراسر کشور
تضمین اصالت کالا بررسی و مقایسه قیمت
مشاوره پیش از خرید خرید مطمئن
پشتیبانی پس از فروش خرید مطمئن
خط تولید تمام اتوماتیک
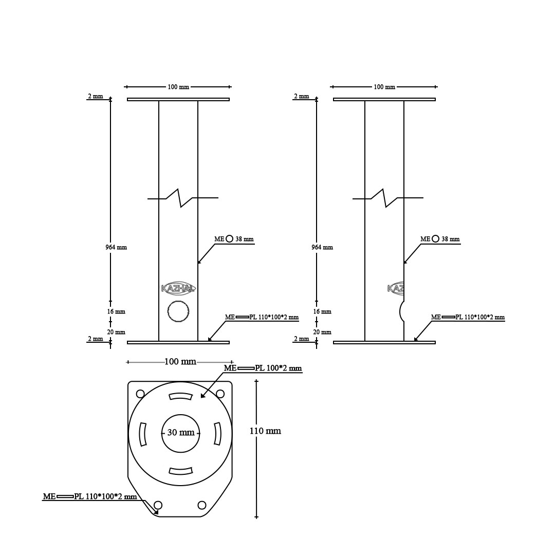
لوله :
فلنچ :
جوشکاری :
رنگ :
بسته بندی :
استاندارد گلند 16
نظرات و پیشنهادات شما برای بهبود کیفیت خدمات و محصولات ما بسیار ارزشمند است
کد محصول: 10678
هنوز دیدگاهی برای این محصول ثبت نشده است.








💡در صورتی که همکار هستید، ابتدا در سایت ثبتنام کنید و سپس با کلیک بر روی دکمه پروفایل همکار ، فرم درخواست همکاری را تکمیل و ارسال نمایید.